网站首页
关于我们
公司简介
资质证书
产品中心
电动机在线监测装置
智慧安全用电监控终端
故障电弧保护器
智能照明控制系统
电气防火限流式保护器
控制与保护开关电器系列
双电源自动转换开关系列
电气火灾监控探测系列
消防设备电源监控系统
智能多功能电力仪表
自复式过欠压保护器系列
电涌保护器系列
光伏专用过欠压重合闸小型断路器
负荷隔离开关
新闻资讯
公司新闻
行业动态
产品应用
资料下载
联系我们
首页
关于我们
公司简介
资质证书
产品中心
电动机在线监测装置
智慧安全用电监控终端
故障电弧保护器
智能照明控制系统
电气防火限流式保护器
控制与保护开关电器系列
双电源自动转换开关系列
电气火灾监控探测系列
消防设备电源监控系统
智能多功能电力仪表
自复式过欠压保护器系列
电涌保护器系列
光伏专用过欠压重合闸小型断路器
负荷隔离开关
新闻资讯
公司新闻
行业动态
产品应用
资料下载
联系我们
产品中心
PRODUCT
产品中心
首页
-
产品中心
-
双电源自动转换开关系列
-
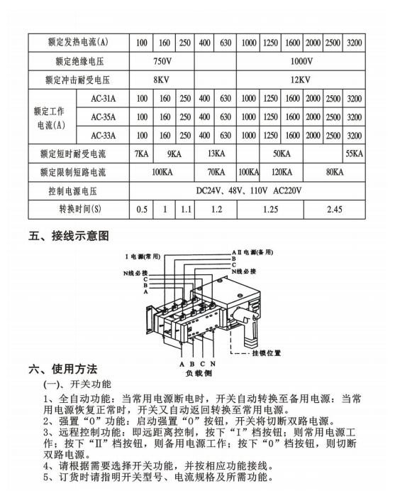
CZQ5-125/4P 双电源自动转换开关
CZQ5-125/4P 双电源自动转换开关
如果您有任何问题可以联系我们!
联系我们
电话:13376877771
扫一扫,加我为朋友
详细信息
详细信息
CZQ5(PC级)隔离型双电源自动转换开关
没有了!
返回
相关产品
CZQ3-63迷你型双电源自动转换开关
CZQ1(CB级)末端型双电源自动转换开关
CZQ1(CB级)智能型双电源自动转换开关
CZQ5(PC级)隔离型双电源自动转换开关
CZQ5-125/4P 双电源自动转换开关
© 中保电气有限公司
中保电气阿里巴巴站
浙ICP备2024130654号-1
XML
网站地图
网站制作维护:
传信网络
微信
咨询
扫一扫,加我为朋友
服务
热线
13376877771
服务热线
客服
邮箱
chzobo@163.com
客服邮箱